CT Series Part Numbering System
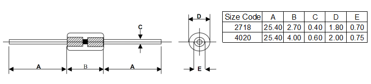
CT Series Size Code
| Part Number 產 品 編 號 |
Ohm Value @25C 阻 值 |
Tolerance 誤 差 |
B Constant B 值 |
B Constant Tolerance B 值 誤 差 |
B Constant Calculation Method B 值 計 算 方 法 |
Package 封 裝 |
Specification 規 格 書 |
|---|---|---|---|---|---|---|---|
| 102F-CT-4020-3300GB | 1K Ohm | 1% | 3300 | 2% | 25/50 | 4.0X2.0mm | Contact us |
| 103H-CT-4020-3950GB | 10K Ohm | 3% | 3950 | 2% | 25/50 | 4.0X2.0mm | Available |
| 473F-CT-4020-3950FB | 47K Ohm | 1% | 3950 | 1% | 25/50 | 4.0X2.0mm | Contact us |
| 104H-CT-4020-3450FB | 100K Ohm | 3% | 3450 | 1% | 25/50 | 4.0X2.0mm | Contact us |
| 104F-CT-4020-4267FA | 100K Ohm | 1% | 4267 | 1% | 25/85 | 4.0X2.0mm | Available |
版權所有:傳感科技有限公司
Copyright c 2020 Sensorbase Technogic Ltd.